E-mail Us
amc100 za ac multi channel energy meter
amc100 za ac multi channel energy meter

Medidor de energia multi-canal AC AMC100-ZA

  • Monitora a tensão, corrente, energia e energia elétrica de 2 linhas de entrada independentes A B

  • 8 entrada digital, 4 saída digital

  • 1 monitoramento de temperatura e umidade do canal

  • 3 canais RS485 Modbus-RTU

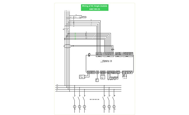
Desenhos de AMC100-ZA AC medidor de energia multi-canal

Obrigado por sua atenção em Acrel
Vamos saber sua necessidade de medidor de energia inteligente.
Acrel entrará em contato com você o mais rápido possível.
*
*
*