E-mail Us

Solução médica de monitoramento de isolamento do sistema de TI

Os dispositivos médicos de monitoramento de isolamento do sistema de TI e os sistemas de localização de falhas são adequados para salas de operação de hospitais, UTI (CCU) e outros locais importantes, e podem fornecer um local seguro para tal contínuo, soluções de energia confiáveis.

IT_1.png

IT_2.png


Estrutura do medidor de energia inteligente para monitoramento de isolamento médico

Acrel Structure


Principais funções do medidor de energia inteligente para monitoramento de isolamento médico

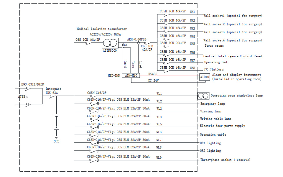
1. Diagrama de conexão primária e exibição de distribuição de campo

Primary connection diagram and field distribution display Primary connection diagram and field distribution display


2. aquisição de dados em tempo real e exibição

Real-time data acquisition and display


3. alarme de falha

Acrel Fault Alarm


4. ajuste e inquérito remoto do parâmetro

Acrel Remote Parameter Setting And Inquiry


5. exibição gráfica

O gabinete de monitoramento de isolamento médico rastreia o isolamento e o status da carga, juntamente com a temperatura dos transformadores de isolamento, oferecendo monitores gráficos claros para cada sistema de energia isolado usado emFontes de alimentação médicas isoladas... Seu design fácil de usar garante operação conveniente e monitoramento eficiente.

Seleção de produto de medidor de energia inteligente para monitoramento de isolamento médico

1. transformador de isolamento médico da série AITR

  • Transformadores de isolamento para sistemas médicos de TI

  • Tratamento de isolamento duplo, camada de blindagem eletrostática

  • Sensor de temperatura PT100

  • Potência nominal: 3,15… 10KVA

  • Marca CE


Acrel Aitr Series Medical Isolation Transformer


2. AIM-M10 Monitor de Isolamento Inteligente Médico

  • Monitoramento de isolamento para sistemas médicos de TI

  • Monitoramento de carga e temperatura do transformador de isolamento

  • Monitorização de desconexão do dispositivo

  • Indicadores LED: On, Isolamento, Sobrecarga, Overtemp

  • Saída de relé de alarme

  • Botão de teste

  • RS485, MODBUS-RTU


Acrel 2aim M10 Medical Intelligent Insulation Monitor


3. AIM-M100 Monitor de Isolamento Inteligente Médico

  • Monitoramento de isolamento para sistemas médicos de TI

  • Monitoramento de carga e temperatura do transformador de isolamento

  • Monitorização de desconexão do dispositivo

  • Indicadores LED: On, Isolamento, Sobrecarga, Overtemp

  • Saída de relé de alarme

  • Botão de teste

  • RS485,MODBUS-RTU


Aim M100 Medical Intelligent Insulation Monitor


4. AIM-M200 Monitor de Isolamento Inteligente Médico

<Ul class = "list-paddingleft-2">
  • Monitoramento de isolamento para sistemas médicos de TI

  • Monitoramento de carga e temperatura do transformador de isolamento

  • Monitorização de desconexão do dispositivo

  • Indicadores LED: On, Isolamento, Sobrecarga, Overtemp

  • Saída de relé de alarme

  • Botão de teste

  • Localização da falha de isolamento

  • RS485 (MODBUS-RTU) PODE (protocolo personalizado)


  • Acrel AIM-M200 Medical Intelligent Insulation Monitor


    5. Alarme AID10 e Instrumento de Exibição

    • Monitorização remota

    • Indicadores LED: On, Isolamento, Sobrecarga, Overtemp

    • Botão mudo

    • Botão de teste

    • Fonte de alimentação: DC24V

    • RS485, MODBUS-RTU


    Acrel Aid10 Alarm And Display Instrument


    6. Alarme AID120 e Instrumento de Exibição

    • Monitorização remota

    • Indicadores LED: On, Isolamento, Sobrecarga, Overtemp

    • Botão mudo

    • Botão de teste

    • Fonte de alimentação: DC24V

    • RS485, MODBUS-RTU


    Acrel AID120 Alarm and Display Instrument


    7. Alarme AID150 e Instrumento de Exibição

    • Monitorização remota

    • Indicadores LED: On, Isolamento, Sobrecarga, Overtemp

    • Botão mudo

    • Botão de teste

    • Fonte de alimentação: DC24V

    • RS485, MODBUS-RTU


    Acrel AID150 Alarm and Display Instrument


    8. ACLP10-24 fonte de alimentação DC

    • Fonte de alimentação para a série AID

    • Entrada AC 220V, saída DC 24V

    • Transformador Linear Completamente Isolado

    • Indicador de ligar


    Acrel ACLP10-24 DC Power Supply


    9. gerador de sinal ASG150

    • Gerando sinal de localização de falha

    • Detecção de desconexão L1 e L2

    • Indicadores LED: On, Comm, L1, L2, Falha

    • PODE ônibus, protocolo personalizado

    • Fonte de alimentação: DC24V


    Acrel ASG150 Signal Generator


    10. AIL150-4/-8 Localizador de falha de isolamento

    • Localização da falha de isolamento em sistemas AC IT

    • AIL150-4: 4 canais de medição

    • AIL150-8: 4 canais de medição

    • Indicadores LED: On, Comm, L1…L8

    • PODE ônibus, protocolo personalizado

    • Fonte de alimentação: DC24V


    Acrel AIL150-4/-8 Insulation Fault Locator

    11. Armário de distribuição de energia de isolamento médico GGF


    9.jpg

    11.jpg




    Solução típica

    1. conjunto de quatro peças

    Acrel Four Piece Set


    2. conjunto de cinco peças

    Acrel Five Piece Set


    3. conjunto de sete peças

    Acrel Seven Piece Set


    Fotos no site

     Acrel Co Ltd