E-mail Us
closed loop hall effect current sensor
closed loop hall effect current sensor

Sensor de corrente de efeito Hall fechado AHBC-LT1005

Medição:

Entrada: 1000A

Saída: 200mA

Fonte de alimentação: DC ± 12V-DC ± 24V

Precisão: classe 05

Tempo de resposta:<1µs


Aparência:

Tamanho pequeno do pacote

Baixo consumo de energia

Faixa de medição estendida

Especificações do sensor atual de efeito Hall fechado AHBC-LT1005

Tensão de entrada nominal1000A
Meça a faixa de tensão1500A
Resistência de mediçãoAH 15V @ 1000Amax0(min) 20(max)
Torna a relação@ 1200Amax0(min) 7.5(max)
Corrente de saída nominal2mA 0,1% FS(10A), 200mA .A. 0,1% FS(1000A)
Precisão0,5
Tensão12V ~ + 24V
Consumo de energia atual20mA + ls
Deslocamento atual zeroUns 0,2mA
Tempo de resposta<1μs
Linearidade≤ 0,05% FS
Tensão de isolamento3kV/50Hz/1min
Largura de banda (-3dB)0-100KHz
Resistência secundária da bobina50Q
Temperatura de funcionamento-40 ~ 85C
Temperatura de armazenamento-40 ~ 85C


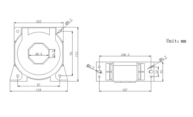
Desenhos de AHBC-LT1005 sensor de corrente de efeito Hall fechado

Obrigado por sua atenção em Acrel
Vamos saber sua necessidade de medidor de energia inteligente.
Acrel entrará em contato com você o mais rápido possível.
*
*
*