E-mail Us
multifunctional battery meter
multifunctional battery meter
multifunction meter
multifunction meter price

AMC48L-AV analisador de volímetro monofásico

  • Medição de tensão

  • Display de cristal líquido LED

  • Voltímetro monofásico

Características do analisador AMC48L-AV do volmetro da fase monofásica

Comunicação

RS485(Modbus-RTU)

Exibir

Visor LCD, conjunto de potência multiplicadora

U & I nominal

Único phaseAC 100V,400V

Precisão

Energia ativa: Classe 0,5

Instalação

Painel montado

ac voltage meter

Dimensão (L * W * H)

Tamanho do painel (L × W): 48*48mm

Recorte (L × W): 45*45mm

Profundidade (H): 93mm

Consumo

Atual: Consumo de energia <0.5VA;

Fonte de alimentação auxiliar: consumption≤ 5VA

Fonte de alimentação auxiliar

AC 220V

ac voltmeter


Especificações do analisador AMC48L-AV do volmetro da fase monofásica

Parâmetro técnicoValor
EntradaValor nominalTensão AC: Único phaseAC 100V,400V
Três phaseAC 100V,400V,660V(UL-L, apenas 72/ 96)
SobrecargaTensão: 1,2 vezes o valor nominal (contínuo); 2 vezes o valor nominal/1 segundo
Atual: 1,2 vezes o valor nominal (contínuo); 10 vezes o valor nominal/1 segundo
Frequência45Hz ~ 65Hz
Consumo de energiaO consumo de energia de cada tensão, circuito de entrada atual é inferior a 0,5VA
PrecisãoClasse 0,5
FunçãoExibirLED ou LCD
ComunicaçãoRS485, protocolo Modbus-RTU;(1 bit de início, 8 bits de dados, 1 bit de parada, sem paridade)
Taxa de Baud 2400/4800/9600/19200 bps etc.
AlarmeRelé passivo de 1 canal, capacidade de contato 3A/30VDC,3A/250VAC, usado para alta, baixa, alarme de desequilíbrio etc.
AnalógicoDC4 ~ 20mA,(carga <500Ω)
(Nota: o fio blindado é especialmente selecionado para a entrada e saída de sinal acima)
ComutaçãoEntrada: 4 canais ou 2 canais de entrada de contato seco, construído na fonte de alimentação
Saída: saída de comutação de 2 canais, sem contato de relé, capacidade: 3A/30VDC,3A/250VAC
Fornecimento auxiliarAC/DC 85-265V
Consumo de energia<5VA
Resistência de isolamento≥ 100MΩ
Tensão suportável de frequência de energiaEntre a fonte de alimentação conjunto de terminais e entrada de sinal, conjunto de saída de terminais 2kV/1min (RMS)
Entre o shell e todo o conjunto de terminais (exceto o conjunto de terminais de tensão de referência inferior a 40V) AC 4kV
AmbienteTemperaturaOperação: -10 °C ~ + 55 ℃Armazenamento: -25 °C ~ + 70 °C
Umidade≤ 95% RH, sem condensação, sem gás corrosivo
Altitude≤ 2500m


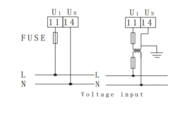
Desenhos de AMC48L-AV analisador de volmetro monofásico

Obrigado por sua atenção em Acrel
Vamos saber sua necessidade de medidor de energia inteligente.
Acrel entrará em contato com você o mais rápido possível.
*
*
*