E-mail Us
operating room electrical panels
operating room electrical panels
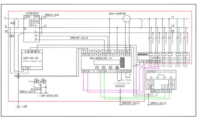
isolation panel for operating rooms
hospital isolation panel wiring diagram

Monitor de isolamento inteligente médico AIM-M300

  • Monitoramento de isolamento para sistemas médicos de TI

  • Monitoramento de carga e temperatura do transformador de isolamento

  • Monitorização de desconexão do dispositivo

  • Indicadores LED: On, Isolamento, Sobrecarga, Overtemp

  • Saída de relé de alarme

  • Botão de teste

  • Localização da falha de isolamento

  • Din 35mm

  • RS485 (MODBUS-RTU) PODE

Desenhos de Monitor de Isolamento Inteligente Médico AIM-M300

Especificações do monitor de isolamento inteligente médico AIM-M300

Poder auxiliarTensãoDC 18…36V
Consumo de energia≤ 6W
Monitoramento de isolamentoResistência15…999kΩ
Medição
Alcance
Valor de resposta50…999kΩ
Relativo± 10%,± 10K
Incerteza
Tempo de resposta≤ 3s
Permissível≤ 5uF
Vazamento do sistema
Capacitância Ce
Medição≤ 12V
Tensão Um

Medição≤ 5uA
Im atual
Impedância Zi≥ 200kΩ
DC interno≥ 240kΩ
Resistência Ri

Permissível≤ DC280V
DC estranho
Tensão Ufg
Monitoramento de temperaturaTérmico2 Pt100
Resistor
Medição-50…+ 200 °C
Alcance
Faixa de valor de alarme0…+ 200 °C
Monitoramento atualValor de alarme5…60A
Medição
Precisão
± 5%


Obrigado por sua atenção em Acrel
Vamos saber sua necessidade de medidor de energia inteligente.
Acrel entrará em contato com você o mais rápido possível.
*
*
*