E-mail Us
remote power failure alarm
remote power failure alarm
remote control personal alarm
wifi remote alarm
remote personal alarm

Alarme AID120 e indicador de exibição

  • Monitorização remota

  • Botão mudo

  • Botão de teste

  • Fonte de alimentação auxiliar: DC24V

  • RS485(MODBUS-RTU)

Especificações do alarme AID120 e indicador de exibição

Poder AuxTensãoDC 24V
Consumo de energia≤ 0,6 W
Faixa de medida de isolamento10 ~ 999kΩ
Faixa de alarme de isolamento50 ~ 999kΩ
Taxa de carga do transformadorPorcentagem de exibição
Faixa de alarme atual14A, 18A, 22A, 28A, 35A, 45A
Faixa de alarme de temperatura0 ~ 200 °C
Modo de alarmeAlarme audível e visual
Tipo de alarmeFalha de isolamento, sobrecarga, temperatura excessiva, falha do dispositivo
Modo de comunicaçãoRS485(MODBUS-RTU)
Modo de exibiçãoDisplay de LED


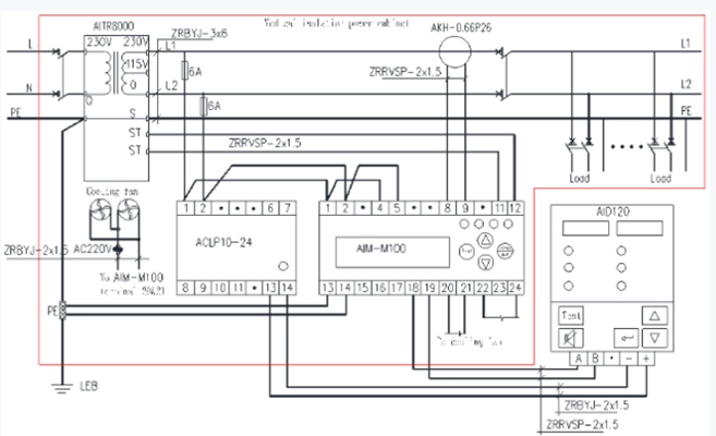
Desenhos de Alarme AID120 e Indicador de Exibição

Obrigado por sua atenção em Acrel
Vamos saber sua necessidade de medidor de energia inteligente.
Acrel entrará em contato com você o mais rápido possível.
*
*
*