E-mail Us
health management information systems
health management information systems
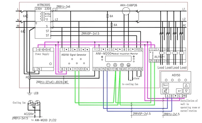
hospital isolation panel
isolated power panels for healthcare facilities
isolation panels in hospitals

Alarme AID150 e dispositivo de exibição

  • Monitoramento remoto

  • Indicador LED

  • Interface HMI para configuração de parâmetro remoto e alarme mudo

  • IEC60364-7-710:2016; IEC 61557-8-2007; EMC

Características do alarme AID150 e dispositivo de exibição

Monitoramento remoto

(Dados duplicados do monitor de isolamento da série AIM)

● Falha de isolamento

● Alarme

● Mensagem operacional

● Através de RS485 (MODBUS-RTU)

Remote Monitoring

Indicador LED

● Status On-off dos dispositivos

● Falha de isolamento

● Sobrecarga

● Excesso de temperatura

LED Indicator

Interface HMI para configuração de parâmetro remoto e alarme mudo

● Definir tempo de resposta de monitoramento de isolamento

● Alarme audível mudo

HMI Interface for remote Parameter Setting&Alarm Mute


Desenhos de Alarme AID150 e Dispositivo de Exibição

Especificações do alarme AID150 e do dispositivo de exibição

Parâmetros/modelo
AID10AID120AID150
Potência auxiliarTensãoDC 24V
Consumo de energia<0,6 W
Faixa de medição de resistência de isolamento-0-999kΩ-
Faixa de valor de alarme de isolamento
50-999kΩ
Exibição da taxa de carga do transformador-Porcentagem de exibição-
Carregar configurações de alarme atuais14A, 18A, 22A, 28A, 35A, 45A
Faixa de valor de alarme de temperatura0 ~ 200 °C
AlarmeAlarme audível e visível
Tipo de alarmeFalha de isolamento, sobrecarga, temperatura excessiva, falha do equipamento
ComunicaçãoInterface RS485, protocolo MODBUS-RTU
Método de exibição-Exibição de LEDLCD 128*32


Obrigado por sua atenção em Acrel
Vamos saber sua necessidade de medidor de energia inteligente.
Acrel entrará em contato com você o mais rápido possível.
*
*
*