E-mail Us
remote power failure alarm
remote power failure alarm
operating room electrical panels
are isolation panels required in operating rooms

Transformador de isolamento médico da série AITR

  • Transformador de isolamento para o sistema de energia de TI do hospital

  • Tratamento de isolamento duplo

  • Camada de blindagem eletrostática

  • Sensor de temperatura PT100 embutido no enrolamento

  • CE; IEC 61558-1:2009; IEC 61558-2-15:2011; IEC60364-7-710:2016

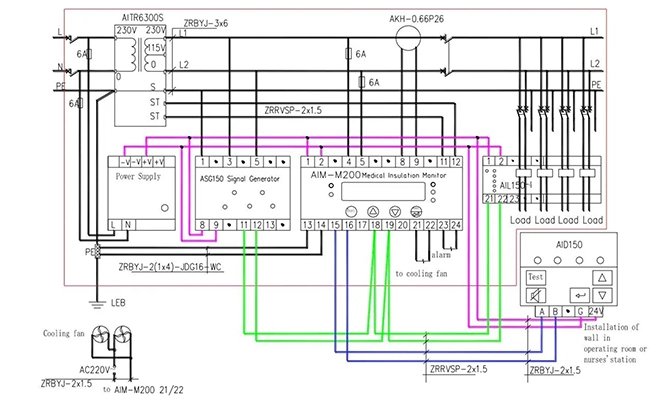
Desenhos do transformador de isolamento médico da série AITR

Especificações do transformador de isolamento médico da série AITR

Capacidade nominal
3.15kVA/5kVA/6.3kVA/8kVA/10kVA
Frequência50/60Hz
Tensão de entrada nominal230V
A tensão de saída230V/115V
Corrente de Inrush<12In
Corrente de vazamento<200uA
Tensão de saída sem carga<235V
Corrente de saída sem carga<3% Em
Tensão de curto-circuito<3% Un
Eficiência> 96%
Temperatura ambiente máxima<40 °C
Aumento de temperatura sem carga<33 °C
Aumento da temperatura de carga total<76 °C
Suportar tensão4200 V/Min
Classe de isolamentoH
Nível de ruído<40dB (A)


Características do transformador de isolamento médico da série AITR

Transformador de isolamento para o sistema de energia de TI do hospital

● Corrente de Inrush (IE): <12Ln

● Curto-circuitos Tensão: <3% Un

● Nível de ruído: <40dB (A)

● Eficiência: >96%

Insulation Transformer for Hospital IT Power System

Tratamento de isolamento múltiplo

● Corrente de vazamento: <200μA

● Classe de isolamento: H


Multiple Insulation Treatment

Sensor de temperatura PT100 embutido no enrolamento

● Termistor: PT100

● Faixa de medição de temperatura: -50 °C ~ + 200

PT100 Temperature Sensor Embedded in the Winding


Obrigado por sua atenção em Acrel
Vamos saber sua necessidade de medidor de energia inteligente.
Acrel entrará em contato com você o mais rápido possível.
*
*
*