E-mail Us
remote control personal alarm
remote control personal alarm
remote personal alarm
remote power failure alarm
are isolation panels required in operating rooms

Fonte de alimentação auxiliar ACLP10-24

  • Fonte de alimentação auxiliar para a série AID

  • Indicador de alimentação LED

  • Transformador Linear Completamente Isolado

  • IEC 61558-1: 2009

Características da fonte de alimentação auxiliar ACLP10-24

Fonte de alimentação auxiliar para a série AID

● Fonte de alimentação: entrada-AC220V e saída-DC 24V

● Consumo de energia:<3VA

● Fornecimento de até 3 dispositivos de alarme e exibição da série AID


Auxiliary Power Supply for AID Series

Indicador de alimentação LED

● Mostrando status de trabalho da fonte de alimentação


LED Power On-off Indicator


Especificações da fonte de alimentação auxiliar ACLP10-24

Tensão de entrada
AC 220V(± 10%)
Frequência50/60Hz
Poder3W
Tensão de saídaDC 24V ± 5%
Regulação de tensão≤ 30%
Aumento de temperatura≤ 20 °C
Suportar tensão4000V AC/Min


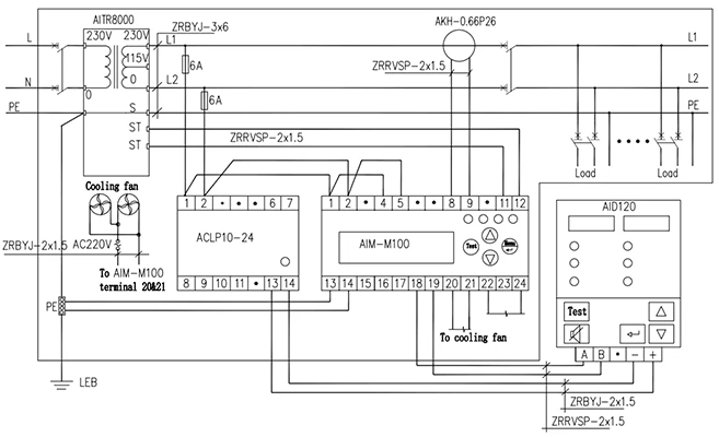
Desenhos de ACLP10-24 fonte de alimentação auxiliar

Obrigado por sua atenção em Acrel
Vamos saber sua necessidade de medidor de energia inteligente.
Acrel entrará em contato com você o mais rápido possível.
*
*
*