E-mail Us
health management information systems
health management information systems
wifi remote alarm
medical isolated power panels
medical isolated power supply
isolated power panels for healthcare facilities

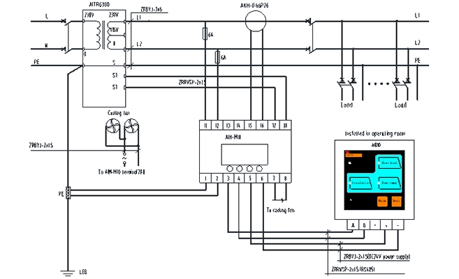
Dispositivo de isolamento médico AIM-M10

  • Monitoramento de isolamento para sistemas médicos de TI

  • Monitoramento de carga e temperatura do transformador de isolamento

  • Monitorização de desconexão do dispositivo

Desenhos de AIM-M10 dispositivo de isolamento médico

Especificações do dispositivo médico AIM-M10 da isolação

Potência AUXTensãoAC220V ± 10%Monitorização de temperaturaResistor térmico2 Pt100
Consumo de energia≤ 5VAFaixa de medição-50 ~ + 200 °C
Monitoramento de isolamentoFaixa de medição de resistência10 ~ 999kΩFaixa de valor de alarme0 ~ + 200 °C
Valor de resposta50 ~ 999kΩAlarmeModo de saída1 Relés
Incerteza relativa± 10%SaídaClassificação de contatoAC 250V/3A

DC 30V/3A
Tempo de resposta≤ 3sAmbienteTemperatura de funcionamento-10 ~ + 55 °C
Capacitância de vazamento do sistema admissível Ce≤ 5uFTemperatura de transporte-25 ~ + 70 °C
Tensão de medição Um≤ 12VTemperatura de armazenamento-25 ~ + 70 °C
Corrente de medição Im≤ 50uAHumidade relativa5%-95%, sem condensação
Impedância Zi≥ 200kΩAltitude≤ 2500m
Resistência interna DC Ri≥ 240kΩGrau IPIP30
Tensão DC estranha admissível Ufg≤ DC280VTensão nominal de impulso/grau de poluição4KV/Ⅲ
Monitoramento de corrente de cargaValor de medição2.1 ~ 50AEMCIEC 61326-2-4
Valor de alarme5 ~ 50AComunicaçãoRS485(Modbus-RTU)
Precisão de medição± 5%


Obrigado por sua atenção em Acrel
Vamos saber sua necessidade de medidor de energia inteligente.
Acrel entrará em contato com você o mais rápido possível.
*
*
*